Přidáno do košíku
Přidáno do košíku

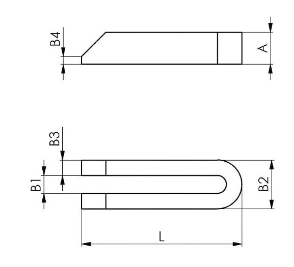
Vidlicová upínka zešikmená, 371600, AMF 70623 - DIN 6315 B 33x315mm

Vidlicová upínka kuželová, z ušlechtilé oceli, lakovaná. Technické parametry: Typ: 6315B Norma: DIN 6315B B1: 33 L: 315 Pro upínací šroub: M30 A: 50 B2: 74 B3: 20 B4: 12 Váha: 4750g Nevíte si… Více

Skladem Vlašim 0 KS
Na objednávku do 5 dnů

Objednací číslo: 70623

Počet kusů
1 400 Kč
1 694 Kč s DPH
Přidat do košíku

Popis produktu

Vidlicová upínka kuželová, z ušlechtilé oceli, lakovaná.

Technické parametry:

  • Typ: 6315B
  • Norma: DIN 6315B
  • B1: 33
  • L: 315
  • Pro upínací šroub: M30
  • A: 50
  • B2: 74
  • B3: 20
  • B4: 12
  • Váha: 4750g

Nevíte si rady při výběru vhodného upínacího prvku pro Váš projekt ? Kontaktujte naše obchodně-technické zástupce ! Pro přechod na sekci kontakty klikněte ZDE


Kód Hoffmann: 371600 33x315

Starší označení nástroje: HS-A-01836

Parametry

Skladem Ne

Příslušenství

Podobné zboží

Dotaz k produktu

x

Používáme cookies

Na našich webových stránkách používáme k poskytování služeb, personalizaci reklam a analýze návštěvnosti soubory cookie. Kliknutím na tlačítko 'Přijímám vše' souhlasíte s používáním všech souborů cookies. Můžete však navštívit 'Přizpůsobit' a poskytnout tak vámi kontrolovaný souhlas.