Vidlicová upínka zešikmená, 371600, AMF 70516 - DIN 6315 B 14x200mm
Vidlicová upínka kuželová, z ušlechtilé oceli, lakovaná. Technické parametry: Typ: 6315B Norma: DIN 6315B B1: 14 L: 200 Pro upínací šroub: M12 M14 A: 25 B2: 38 B3: 12 B4: 6 Váha: 910g Nevíte si… Více
Objednací číslo: 70516
Popis produktu
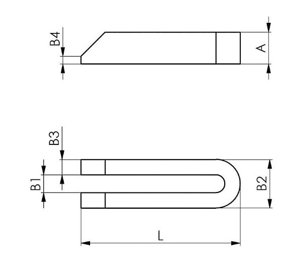
Vidlicová upínka kuželová, z ušlechtilé oceli, lakovaná.
Technické parametry:
- Typ: 6315B
- Norma: DIN 6315B
- B1: 14
- L: 200
- Pro upínací šroub: M12 M14
- A: 25
- B2: 38
- B3: 12
- B4: 6
- Váha: 910g
Nevíte si rady při výběru vhodného upínacího prvku pro Váš projekt ? Kontaktujte naše obchodně-technické zástupce ! Pro přechod na sekci kontakty klikněte ZDE
Kód Hoffmann: 371600 14x200
Starší označení nástroje: HS-A-01825
Parametry
| Skladem | Ne |