Vidlicová upínka s nosem, 371400, AMF 70904 - DIN 6315 GN 18x200mm
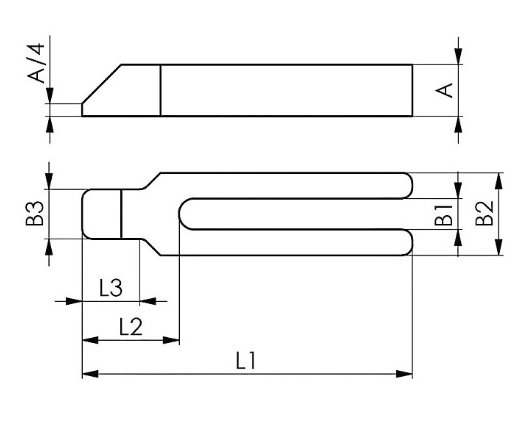
Vidlicová upínka s nosem, z zušlechtěné oceli, lakovaná. Technická specifikace: Typ: 6315GN Norma: DIN 6315 GN B1: 18 L1: 200 Pro upínací šroub: M16 M18 A: 30 B2: 50 B3: 28 L2: 57 L3: 36 Váha: 1500g Neví… Více
Skladem Vlašim 0 KS
Na objednávku do
5 dnů
Objednací číslo: 70904
Počet kusů
837 Kč
1 013 Kč
s DPH
Přidat do košíku
Popis produktu
Vidlicová upínka s nosem, z zušlechtěné oceli, lakovaná.
Technická specifikace:
- Typ: 6315GN
- Norma: DIN 6315 GN
- B1: 18
- L1: 200
- Pro upínací šroub: M16 M18
- A: 30
- B2: 50
- B3: 28
- L2: 57
- L3: 36
- Váha: 1500g
Nevíte si rady při výběru vhodného upínacího prvku pro Váš projekt ? Kontaktujte naše obchodně-technické zástupce ! Pro přechod na sekci kontakty klikněte ZDE
Kód Hoffmann:371400 18x200
Starší označení nástroje: HS-S-01812
Parametry
| Skladem | Ne |