Přidáno do košíku
Přidáno do košíku

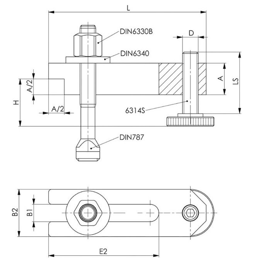
Vidlicová upínka, odsazená, kompletní, 370810, AMF 73288, 22mm

Vidlicová upínka je vyrobena ze zušlechtěné, lakované oceli a je určena pro spolehlivé a přesné upínání. Pro dosažení nejnižší výšky upnutí lze upínku jednodu… Více

Skladem Vlašim 0 KS
Na objednávku do 5 dnů

Objednací číslo: 73288

Počet kusů
2 389 Kč
2 891 Kč s DPH
Přidat do košíku

Popis produktu

Vidlicová upínka je vyrobena ze zušlechtěné, lakované oceli a je určena pro spolehlivé a přesné upínání. Pro dosažení nejnižší výšky upnutí lze upínku jednoduše otočit. Díky použití šroubů s pevností 8.8 je zajištěna vysoká odolnost a dlouhá životnost při náročném provozu.

Technická specifikace:

  • Drážka: 22
  • Upínací šroub: M20x22x160
  • H: 16-75
  • DxLS: M20x69
  • A: 40
  • B2: 60
  • E2: 135
  • Váha: 3650g

Nevíte si rady při výběru vhodného upínacího prvku pro Váš projekt ? Kontaktujte naše obchodně-technické zástupce ! Pro přechod na sekci kontakty klikněte ZDE


Kód Hoffmann: 370810 22
Starší označení nástroje: HS-A-01775

Parametry

Skladem Ne

Příslušenství

Podobné zboží

Dotaz k produktu

x

Používáme cookies

Na našich webových stránkách používáme k poskytování služeb, personalizaci reklam a analýze návštěvnosti soubory cookie. Kliknutím na tlačítko 'Přijímám vše' souhlasíte s používáním všech souborů cookies. Můžete však navštívit 'Přizpůsobit' a poskytnout tak vámi kontrolovaný souhlas.