Upínací šroub černěný s mosazným tlačným dílem, vhodný pro tloušťky obrobků od 8 do 40 mm. Standardní výška podpěry 80 mm, možnost zvýšení pomocí mezikruhových prvků 25 mm a 50 mm.
Technická specifikace:
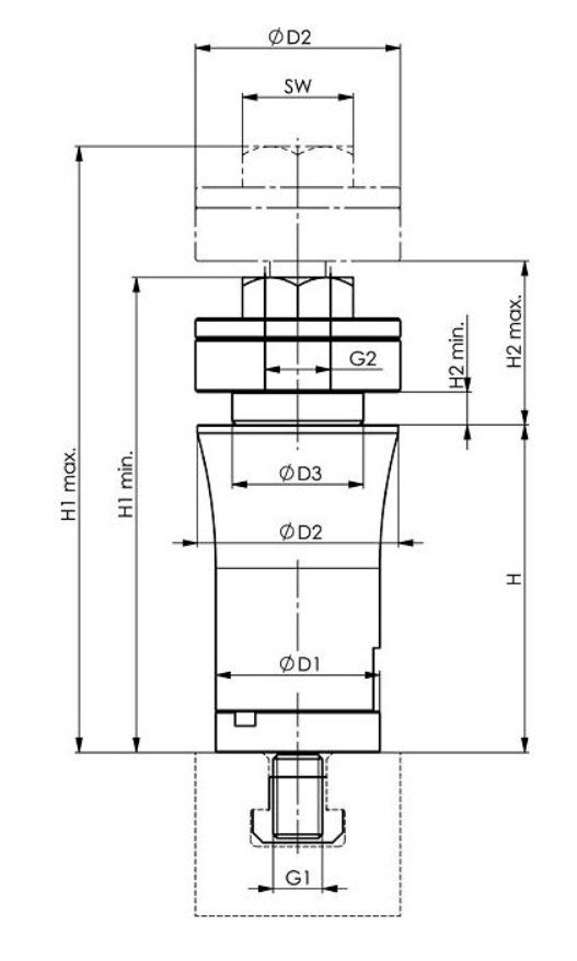
- Velikost: 80
- Drážka: 14
- H ±0,1: 80
- Min. H1: 116
- H1 max: 148
- Min. H2: 8
- H2 max: 40
- ØD1: 40
- ØD2: 50
- ØD3: 32
- G1: M12
- G2: M16
- OK: 27
- Hmotnost: 1270 g
Použití:
- Upínací čepy se připevňují na stůl stroje pomocí T-matic.
- Čep se fixuje na drážkovaném stole utažením předpínací matice SW 27 mm.
- Upínání probíhá pomocí šroubu SW 27 mm z zušlechtěné oceli.
- Poškození obrobku zabraňuje mosazný upínací kroužek.
Výhody:
- Snížení času přípravy nástrojů a náklady na nástroje
- Optimální využití stroje
- Zvýšené upnutí plochých obrobků pro vrtání, řezání závitů a drážkování