Upínací čelist AMF 550512, vel. 19
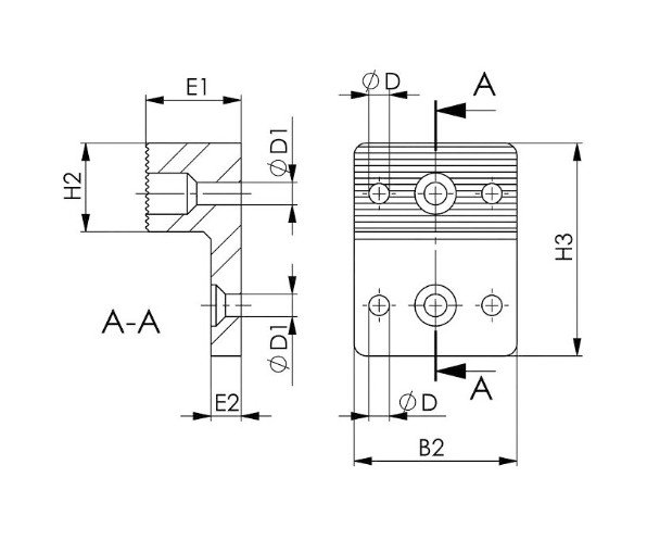
Upínací čelist vyrobená z cementační oceli, nitridovaná pro zvýšenou odolnost proti opotřebení, vybavená upevňovacím šroubem M8. Technická specifikace: Velikost: 19 B2: 65 D: 8,1 D1: 9 E1: 38 E2:… Více
Objednací číslo: 550512
Popis produktu
Upínací čelist vyrobená z cementační oceli, nitridovaná pro zvýšenou odolnost proti opotřebení, vybavená upevňovacím šroubem M8.
Technická specifikace:
- Velikost: 19
- B2: 65
- D: 8,1
- D1: 9
- E1: 38
- E2: 12
- H2: 35
- H3: 85
- Váha (g): 889
Použití:
Upínací čelist s vroubkovanou plochou pro obrábění neobrobených dílů.
Lze ji namontovat na stabilní upínací čelist nebo na doraz.
Nevíte si rady při výběru vhodného upínacího prvku pro Váš projekt ? Kontaktujte naše obchodně-technické zástupce ! Pro přechod na sekci kontakty klikněte ZDE
Parametry
| Skladem | Ne |