Úhlový doraz AMF 74450, vel. 125
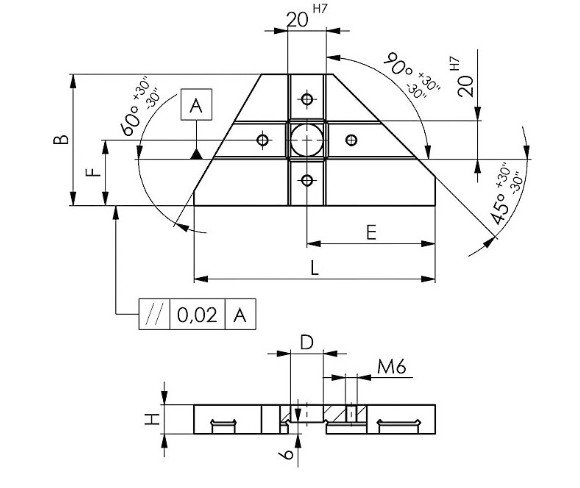
Přesný úhlový doraz je cementovaný a broušený pro maximální odolnost a přesnost. Umožňuje nastavení rovnoběžně i pod úhly 30°, 45°, 60° a 90° vůči T-drážkám. Všechny pracovn… Více
Objednací číslo: 74450
Popis produktu
Přesný úhlový doraz je cementovaný a broušený pro maximální odolnost a přesnost. Umožňuje nastavení rovnoběžně i pod úhly 30°, 45°, 60° a 90° vůči T-drážkám. Všechny pracovní plochy splňují zaručenou přesnost ±30" (úhlových vteřin) ve vztahu k drážkám.
Technická specifikace:
- Velikost: 125
- Drážka: 10-20
- Š: 68
- D: 17
- E: 66,5
- F: 34
- H: 15
- L: 125
- Hmotnost: 550 g
Použití:
Pevné zarážky typu č. 6322A a volné zarážky typu DIN 6323 odpovídají uvedeným T-drážkám stolu.
Univerzální dorazy lze alternativně upevnit kompletně pomocí šroubů do T-drážek podle DIN 787 nebo pomocí T-matic podle DIN 508 se šrouby ISO 4762 a podložkami DIN 6340.
Vysoká přesnost výše uvedených univerzálních dorazů zaručuje polohovací přesnost požadovanou pro téměř jakoukoli obráběcí operaci.
Obrábění lze zahájit okamžitě – není nutné doraz dodatečně měřit.
Nevíte si rady při výběru vhodného upínacího prvku pro Váš projekt ? Kontaktujte naše obchodně-technické zástupce ! Pro přechod na sekci kontakty klikněte ZDE
Parametry
| Skladem | Ne |