Tlačný blok AMF 75911, drážka 28
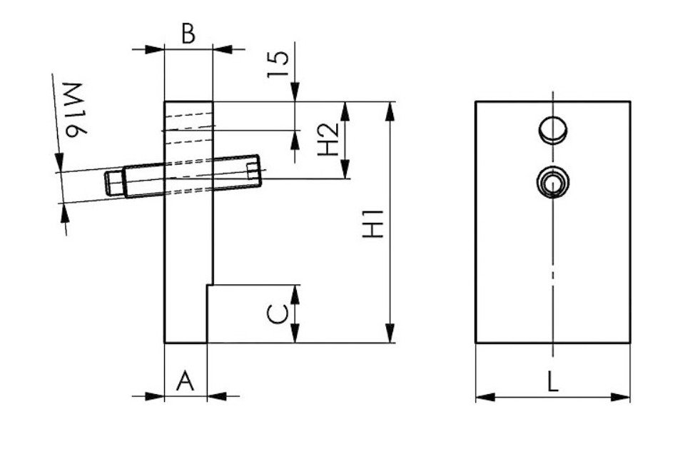
Tlačný blok je určen pro bezpečné polohování a upínání obrobků na stolcích obráběcích strojů. Vyroben ze zušlechtěné, modřené oceli, je vybaven dvěma závitovými otvory M16 pro… Více
Objednací číslo: 75911
Popis produktu
Tlačný blok je určen pro bezpečné polohování a upínání obrobků na stolcích obráběcích strojů. Vyroben ze zušlechtěné, modřené oceli, je vybaven dvěma závitovými otvory M16 pro dvě pracovní polohy. Součástí je stavitelný šroub DIN 915 M16×80.
Technická specifikace:
- Drážka: 28
- Š: 32
- C: 40
- H1: 150
- H2: 65
- L: 100
- hmotnost: 3645 g
Použití:
Doraz se používá pro bezpečné polohování dlouhých a těžkých obrobků na stolcích strojů s drážkami.
Vkládá se do drážky v mírně nakloněné poloze (díky menším rozměrům) a zajišťuje obrobek proti paralelnímu dorazu, např. č. 6351.
Nevíte si rady při výběru vhodného upínacího prvku pro Váš projekt ? Kontaktujte naše obchodně-technické zástupce ! Pro přechod na sekci kontakty klikněte ZDE
Parametry
| Skladem | Ne |