Středicí svorka s ochrannými segmenty AMF 373548
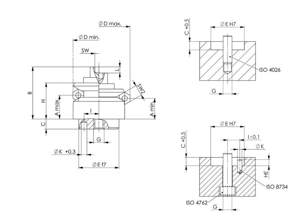
Středicí svorka s ochrannými segmenty je určena pro přesné centrické polohování a upínání v otvorech při zachování ochrany povrchu obrobku. Pro hlubokou instalaci je nutné zajistit maximáln… Více
Objednací číslo: 373548
Popis produktu
Středicí svorka s ochrannými segmenty je určena pro přesné centrické polohování a upínání v otvorech při zachování ochrany povrchu obrobku. Pro hlubokou instalaci je nutné zajistit maximální vůli D.
Montážní nástroj: Zajišťovací čep umožňuje přesné určení polohy segmentů (dodáváno bez montážního nástroje).
Zajišťuje vysokou přesnost s opakovatelností ±0,025 mm a souosostí ±0,050 mm.
Technická specifikace:
- D min.: 70,5
- D max: 86,5
- A min: 23,6
- A max: 28,3
- H: 46
- P: 10 kN
- Hmotnost: 1347 g
Použití:
Pro ochranu povrchu a centrické polohování a upínání v otvorech.
Výhody:
- Nízká instalační výška
- Upínání ve východiskovém bodě (zero point)
- Stahovací efekt
- Upínání bez deformace
Nevíte si rady při výběru vhodného upínacího prvku pro Váš projekt ? Kontaktujte naše obchodně-technické zástupce ! Pro přechod na sekci kontakty klikněte ZDE
Parametry
| Skladem | Ne |