Soustružnický držák VBD A50U PCLNL 19C
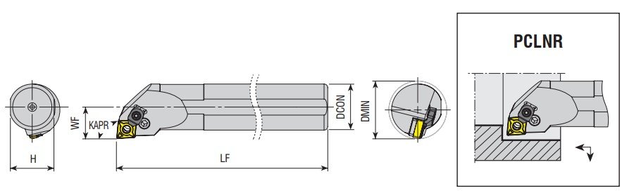
Způsob upnutí řezné destičky (VBD) koresponduje s jejím typem a je dle ISO označen písmenem obsaženým i v kódovém označení nože. Upínání typu ISO P ( např. držák PCLNR ) pomocí vnitřní páky je určeno pro negativní VBD k vnějšímu hrubování a dokončování, resp. převážně k obrábění… Více
Objednací číslo: M.01.02.04.02.18
Popis produktu
Způsob upnutí řezné destičky (VBD) koresponduje s jejím typem a je dle ISO označen písmenem obsaženým i v kódovém označení nože. Upínání typu ISO P ( např. držák PCLNR ) pomocí vnitřní páky je určeno pro negativní VBD k vnějšímu hrubování a dokončování, resp. převážně k obrábění větších vnitřních i vnějších průměrů.
starší označení nástroje : HS-C-01579
Parametry
| Skladem | Ano |
| Typ chlazení | Nástoj s vniřním chlazením |